|
Счетчики газа турбинные СТГ предназначены для измерения рабочего объема природного газа по ГОСТ 5542, свободного нефтяного газа по ГОСТ Р 8.615, азота, воздуха и других неагрессивных, чистых, сухих газов. Область применения – коммерческий и технологический учет газа на промышленных и коммунальных предприятиях, газораспределительных станциях, газораспределительных пунктах и котельных. Для измерения объема агрессивных газов используются счетчики с предохранительным тефлоновым покрытием. |
Вид климатического исполнения счетчиков УХЛ, категория размещения 3 по ГОСТ 15150. Счетчики предназначены для эксплуатации при температуре измеряемой среды и окружающего воздуха от –30 до +60 °С. Счетчики СТГ выполнены для горизонтальной и вертикальной установки в трубопроводе с диаметром условного прохода: ДУ 50 мм, ДУ 80 мм, ДУ 100 мм, ДУ 150 мм. Счетчики имеют магнитный датчик импульсов с электропитанием по «искробезопасной цепи», обеспечивающий дистанционную передачу сигналов на регистрирующие электронные устройства, количество сигналов пропорционально прошедшему объему газа, и могут использоваться совместно с электронными корректорами и другими взрывозащищенными устройствами.
Счетчики соответствуют требованиям ТР ТС 012/2011 «О безопасности оборудования для работы во взрывоопасных средах», ГОСТ Р 51330.0 (МЭК 60079-0-98), ГОСТ Р 51330.10 (МЭК 60079-11-99), ГОСТ 30852.0 (МЭК 60079-0:1998), ГОСТ 30852.10 (МЭК 60079-11:1999). Уровень и вид взрывозащиты 1ExibIIAT6/Т5 X. Для надежной работы счетчиков необходимо чтобы газ на входе в счетчики был очищен и отфильтрован, поэтому рекомендуется перед счетчиками устанавливать газовые фильтры.
Обозначение счетчиков, диаметры условного прохода, максимальные Qmax и минимальные Qmin расходы, должны соответствовать значениям, указанным в таблице 1.
Таблица 1
| Обозначение счетчика | Диаметр условного прохода, Ду, мм | Максимальный расход, Qmax, м3/ч | Максимальный расход, Qmax, м3/ч | |||
|---|---|---|---|---|---|---|
| Избыточное давление Pизб., МПа | ||||||
| Ризб.< 0,3 | 0,3 ≤ Ризб.< 0,6 | 0,6 ≤ Ризб.<1 | Ризб. ≥ 1 | |||
| СТГ-50-100 | 50 | 100 | 5 | 3 | 2,5 | 2 |
| СТГ-80-160 | 80 | 160 | 8 | 5 | 4 | 3 |
| СТГ-80-250 | 250 | 8 | 5 | 4 | 3 | |
| СТГ-80-400 | 400 | 13 | 8 | 6 | 5 | |
| СТГ-100-250 | 100 | 250 | 13 | 8 | 6 | 5 |
| СТГ-100-400 | 400 | 13 | 8 | 6 | 5 | |
| СТГ-100-650 | 650 | 20 | 13 | 11 | 8 | |
| СТГ-150-650 | 150 | 650 | 32 | 20 | 16 | 13 |
| СТГ-150-800 | 800 | 32 | 20 | 16 | 13 | |
| СТГ-150-1000 | 1000 | 32 | 20 | 16 | 13 | |
| СТГ-150-1600 | 1600 | 50 | 32 | 26 | 20 | |
В таблице 1 указаны минимальные расходы счетчиков вариантов исполнения 1 и 2. Минимальные расходы счетчиков варианта исполнения 3 (по спецзаказу) составляют 0,1 Qmax.
Таблица 2. Допускаемая потеря давления при максимальном расходе
| Обозначение счетчика | Диаметр условного прохода, Ду, мм | Потеря давления при Qmax, ΔР, Па |
|---|---|---|
| СТГ-50-100 | 50 | 1700 |
| СТГ-80-160 | 80 | 500 |
| СТГ-80-250 | 1100 | |
| СТГ-80-400 | 2300 | |
| СТГ-100-250 | 100 | 650 |
| СТГ-100-400 | 1150 | |
| СТГ-100-650 | 2200 | |
| СТГ-150-650 | 150 | 750 |
| СТГ- 150-800 | 1150 | |
| СТГ-150-1000 | 1350 | |
| СТГ-150-1600 | 2700 |
Принцип действия счетчика основан на использовании энергии потока газа для вращения первичного преобразователя расхода счетчика – турбины. Газ направляется через струевыпрямитель на турбину и приводит ее во вращение. Частота вращения турбины пропорциональна расходу газа. Вращение турбины через магнитную муфту передается на отсчетное устройство, которое суммирует число оборотов турбины и показывает количество прошедшего через счетчик газа в м3 в рабочих условиях.
Магнитный датчик импульсов обеспечивает дистанционную передачу сигналов на регистрирующие электронные устройства, которые могут быть подключены к контактам разъема счетчика, количество импульсов пропорционально объему газа прошедшему через счетчик в м3 в рабочих условиях. Отсчетное устройство имеет возможность разворачиваться вокруг вертикальной оси на 350 º для обеспечения удобства считывания показаний счетчика.
Отсчетное устройство расположено горизонтально относительно корпуса счетчика. При появлении мощного внешнего магнитного поля контакты одного из герконов размыкаются, что может быть использовано для сигнализации об аварии или несанкционированном вмешательстве.
| Наименование параметра или размера | Значение величины или параметр |
|---|---|
| Измеряемая среда | Природный газ по ГОСТ 5542, свободный нефтяной газ по ГОСТ Р 8.615, азот, воздух и другие неагрессивные, чистые, сухие газы |
| Максимальное давление, МПа (кгс/см2) | 1,6 (16) |
| Рабочее давление, МПа (кгс/см2), не более | 1,2 (12) |
| Температура измеряемой среды, 0С | от минус 40 до плюс 60 |
| Пределы допускаемой относительной по-грешности, %, |
1,7 0,75 2,0 1,0 0,75 |
|
вариант 1
вариант 2
вариант 3 (по спецзаказу)
|
|
|
Порог чувствительности:
|
|
|
Емкость девятиразрядного отсчетного устройства:
|
|
|
Цена деления последнего ролика:
|
|
| Условия эксплуатации: | |
| • температура окружающего воздуха, 0С | от минус 40 до плюс 60 |
| • относительная влажность окружающего воздуха, % | от 30 до 80 |
| • атмосферное давление, кПа (мм рт. ст.) | от 84 до 106,7 (от 630 до 800) |
| Средний срок службы, лет, не менее | 12 |
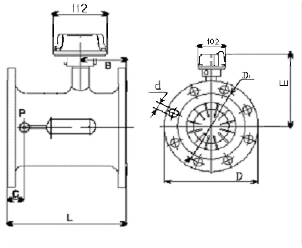
В корпусе счетчиков всех типоразмеров кроме СТГ-50-100 имеются присоединительные отверстия с трубной резьбой G ¼ - В для преобразователей давления и температуры. Счетчики СТГ-50-100 имеют присоединительное отверстие с трубной резьбой G ¼ - В для преобразователя давления.
|
Обозначение счетчика |
Диаметр условного прохода, Ду, мм |
Размеры, мм |
||||||
|---|---|---|---|---|---|---|---|---|
|
L |
В |
С |
E |
D |
D1 |
d |
||
|
СТГ-50-100 |
50 |
150 |
60 |
45 |
154 |
Ø 165 |
Ø 125 |
Ø 18 |
|
СТГ-80-160 СТГ-80-250 СТГ-80-400 |
80 |
240 |
100 |
60 |
158,5 |
Ø 200 |
Ø 160 |
Ø 18 |
|
СТГ-100-250 СТГ-100-400 СТГ-100-650 |
100 |
300 |
125 |
85 |
176 |
Ø 220 |
Ø 180 |
Ø 18 |
|
СТГ-150-650 СТГ-150-800 СТГ-150-1000 СТГ-150-1600 |
150 |
450 |
185 |
125 |
181 |
Ø 285 |
Ø 241 |
Ø 22 |

| Основные | |
|---|---|
| Производитель | Сигнал |
| Страна производитель | Россия |
| Состояние | Новое |
| Вид газа | Природный, Сжиженный, Нефтяной, Другие неагрессивные газы |
| Вид счетчика | Турбинный |
| Условный проход | 150 мм |
| Максимальный расход, Qmax | 800 куб. м/час |
| Минимальный расход, Qmin | 32 куб. м/час |
| Погрешность | ±1,5% |
| Способ монтажа | Горизонтальный/вертикальный |
| Тип присоединения | Фланцевое |
| Гарантийный срок | 12 мес |